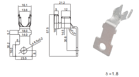
Ring Terminal Series
上一页  1  ... 18  19  20  21  22  23  24  25  ...  43  下一页